
產品型號: RA-2816
產品名稱:?28鋁制自由輸送機
滾筒使用鋁合金材料,自重輕,防銹性能好。適用于有特殊要求的場合。
>>說明
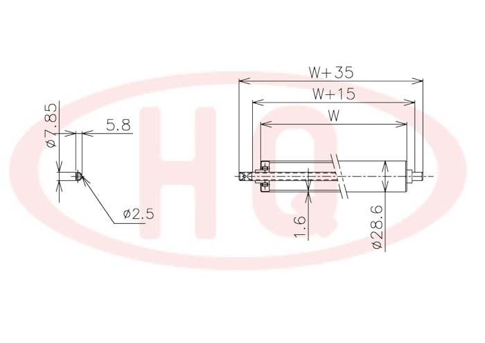
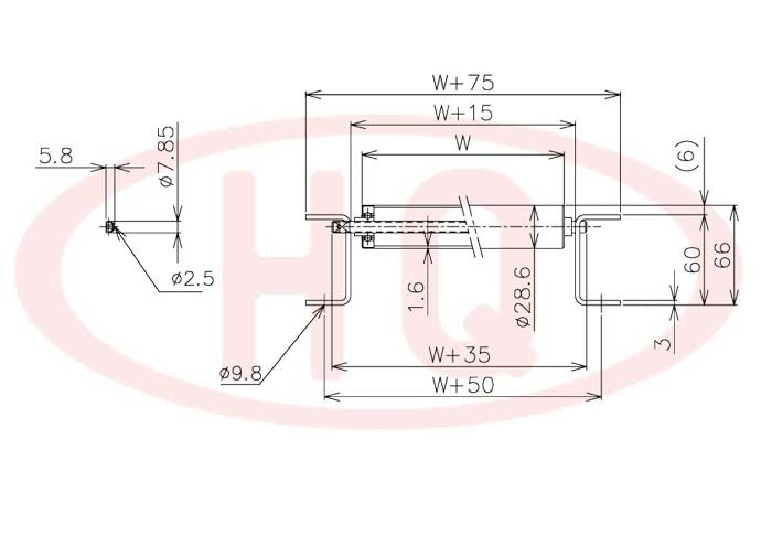
1.滾筒直徑:?28mm(壁厚1.6mm)
2.支架: 60mm槽型鋁材
3.幅寬: 100mm~500mm
4.承重量: max約63kg
>>仕様表
(単位 mm)
| 滾 筒 幅 寬 W (mm) | 100 | 200 | 300 | 400 | 500 | ||
| 滾筒承重強度 (kg) | 63 | 54 | 35 | 30 | 21 | ||
| 輸送機重量 3,000L (kg) | 40P | 13.5 | 18.0 | 22.6 | 27.1 | 31.7 | |
| 50P | 12.0 | 15.7 | 19.4 | 23.2 | 26.9 | ||
| 滾筒(含軸)重量 (g) | 100 | 155 | 210 | 265 | 320 | ||
| 型 號 | 滾筒外徑(φ)×壁厚(t) 軸承 | 軸外徑(φ)×壁厚(t) | 支架形狀I×K×t 輸送機高 (H) | 機 長 L | 滾 筒 幅 寬 W | 滾筒間距 P | 轉彎半徑 | ||||||
| 加工 | R | ||||||||||||
| RA-2816 | 28×1.6 氧化鋁 切削軸承 | 8×1.2管 鍍鋅 半圓 | [ 60×30×3 氧化鋁 66 | 1000?1,500 2,000?3,000 | 100~500 任意尺寸 | 40?50 75 | 900 | ||||||
>>示意圖



