

產品型號: W-4850D系列
產品名稱:W-4850D滾筒式流利條
>>說明
1.滾筒流利條的滾輪使用對應的自由滾筒,承重量大。
2.滾輪直徑:?38、?48、?57、?60
3.可以根據客戶要求定做。
>>仕樣表
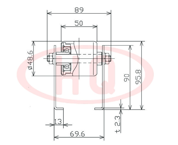
(單位:mm)
>>仕樣表
(單位:mm)
| 區(qū)分 | 型 式 | 滾球尺寸 外徑×幅寬×軸徑×縫寬 D W d b | 使用軸 | 支架形狀 形狀h×W1×W2×W3×t | 機高 H | 全 長 L | 滾球間距 P | 回轉半徑 R | 標準色 | ||
| TS型 | W-3850D | 38×50×12×63 | 丸鋼 ?12×89L | 60×69.6×10×89×2.3 | 67 | 1,800?2,400 3,000 | 50?75 100?150 | 1,000 1,200 | 綠色 | ||
| TS型 | W-4850D | 48×50×12×63 | 丸鋼 ?12×89L | 90×69.6×13×89×2.3 | 95.5 | 1,800?2,400 3,000 | 50?75 100?150 | 1,000 1,200 | 綠色 | ||
| TS型 | W-5750D | 57×50×12×63 | 丸鋼 ?12×89L | 90×69.6×13×89×2.3 | 100 | 1,800?2,400 3,000 | 75?100 150 | 1,000 1,200 | 綠色 | ||
| TS型 | W-6050D | 60×50×12×63 | 丸鋼 ?12×89L | 90×69.6×13×89×2.3 | 101.5 | 1,800?2,400 3,000 | 75?100 150 | 1,000 1,200 | 綠色 | ||
>>示意圖
